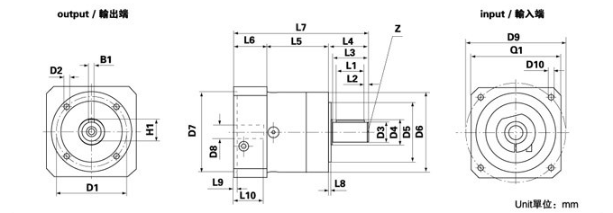
TPS平面包絡環面蝸桿減速器
特點:圓柱形外殼,體積小,結構緊湊,輸出端面連接,安裝簡便。
應用領域:主要使用在包裝機械、切割設備、紡織印染設備等行業。
技術參數:
外形尺寸:40mm---160mm
減速比: 3---512
傳遞力矩:5Nm---895Nm
精密側隙:≤5arcmin
安裝方式:任意





















泰星減速機股份有限公司
公司地址:泰興市姚王鎮泰姚北路10號
聯系電話:13401208111
公司郵箱:1014203505@qq.com
特點:圓柱形外殼,體積小,結構緊湊,輸出端面連接,安裝簡便。應用領域:主要使用在包裝機械、切割設備、紡織印染設備等行業。技術參數:外形尺寸:40mm---160mm減速比: 3---512傳遞力矩:5
微信掃碼咨詢